|
|
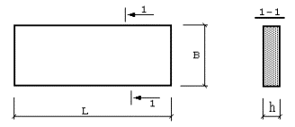
Перекрытия лотков |
|
Марка |
Размеры,
мм |
Класс
бетона марка бетона |
Расход
материалов |
Масса |
Налич.
метал. форм |
|||
|
L |
B |
h |
бетон |
сталь |
||||
|
П5-8 |
2990 |
780 |
70 |
200 |
0,16 |
12,27 |
0,38 |
2 |
|
П8-8 |
1160 |
100 |
0,35 |
16,2 |
1,00 |
1x3 |
||
|
П11-8 |
1480 |
300 |
0,44 |
31,3 |
1,10 |
1x2 |
||